电话图标

138-0135-8432
185-1836-7208

infomation
当前位置当前位置: 网站首页   -   丙乳砂浆
联系电话咨询电话:138-0135-8432

咨询电话

138-0135-8432

北京慕湖外加剂有限公司:

联系人:马经理  13801358432

联系人:王丽雯  18518367208

乌鲁木齐    王建平   18167837816

佳木斯       赵树林    13504547233

深圳          李会全    13925211385

河南          薛德敏    13569223855

贵阳          袁成勇    18085002246

山东          刘淑伟    15065236261

网址:www.beijingmuhu.com

地址:北京市怀柔区怀北镇河防口村543号


联系我们
丙乳砂浆
丙乳砂浆

丙乳砂浆

技术成熟:多年行业经验沉淀,铸就了成熟的技术、优良的信誉与口碑

匠心制造: 精细的工艺技术,流畅的生产加工配置,日久见品质。

咨询报价 138-0135-8432

交通网络便捷

专车接送到厂参观

一对一售后服务

60秒人工响应

30分钟给予技术答复

24小时免费定制方案

信息详情

一、 产品简介:

聚丙烯酸酯乳液水泥防水砂浆又称丙乳砂浆,是丙烯酸酯共聚乳液改性的聚合物水泥砂浆,丙乳是一种水泥基高分子聚合物的水分散体。该砂浆具有优异的粘结、抗裂、抗冻、防渗、防腐、抗氯离子渗透、耐老化和耐蚀性能,适用于海洋、水闸、瀑布、港口工程、公路、桥梁、冶金、化工、工业地坪与民用建筑等钢结构和钢筋混凝土结构的防渗、防腐护面和修补工程。聚丙烯酸酯乳液水泥防水砂浆具有较好的粘结、抗裂、抗冻、防渗、防腐、抗氯离子渗透、耐老化等性能,适用于水利、港口工程、公路、桥梁、冶金、化工、工业与民用建筑等钢结构和钢筋混凝土结构的防渗、防腐护面和修补工程。丙乳砂浆还能耐稀酸、尿素、苯等化学介质腐蚀,已列入国家《工业建筑防腐设计规范》GB50046-95 作为化工耐腐蚀材料。与传统用环氧树脂砂浆相比,丙乳砂浆不仅成本低,而且施工方便。该砂浆施工与普通砂浆相似,可人工涂抹,也可机械喷涂,并适合潮湿面粘结,与基础混凝土温度适应性好,耐大气老化,使用寿命同普通水泥砂浆,克服了环氧砂浆常因其膨胀系数大于基底混凝土而开裂脱落的缺点。


二、产品特性:

1、具有良好的柔韧性,能抵御建筑构件的轻微震动。2、可在潮湿基面上施工。浆料凝固后无需做防水界面保护层即可进行后续施工。3、与基材粘结力强,浆料中的活性成份可渗入水泥基面中的毛细孔、微裂纹并产生化学反应,与底材结合良好,形成致密的防水层。4、吸水率小,具有良好的防水性、耐候性、抗老化性能。5、耐腐蚀、抗冲击、综合力学性能好。

6、双组分产品,施工方便,混合后即可使用,无需另添加辅助材料。7、环境友好,对环境无 污染。


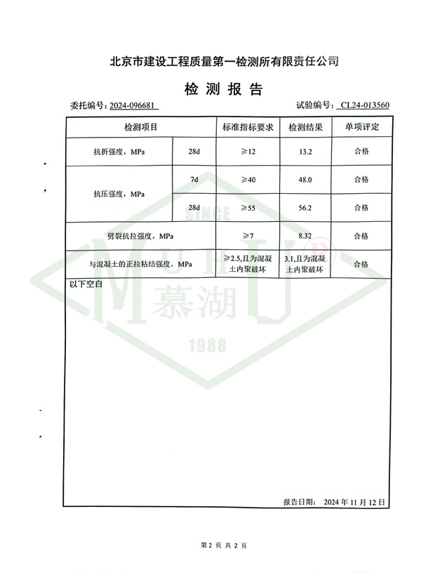
三、性能指标



项目

指标

抗渗压力

Mpa

≥0.5

抗压强度

Mpa

≥12.0

抗折强度

Mpa

≥4.0

粘结强度

无处理

Mpa

≥0.7

潮湿基层

Mpa

收缩率

%

≤0.3

耐碱性

无开裂、剥落

耐热性

抗冻性



四、施工方法:

(1) 基面凿毛清理

施工前应清 除表面污物,凿除旧混凝土面剥蚀层,用清水冲洗干净,外露钢筋应进行除锈处理;施工前应使施工面充分湿润。

刷丙乳乳液素浆或水泥素浆

在清理并湿润好的基面上,涂刷一层丙乳乳液素浆打底或水泥素浆,增加丙乳砂浆和旧混凝土基面的粘结力,涂刷要均匀,刷浆时要不断搅动防止水泥沉淀,在素浆未硬化前,即可进行丙乳砂浆抹面。

(3) 抹面

丙乳砂浆抹面应按设计厚度分层进行施工,每次施工层厚5~ 6mm,施工刮抹只能向同一方向刮抹,不要来回多次刮抹,手触涂层不粘手时方可进行下一层施工,上一遍刮抹方向和下一遍刮抹方向呈“十”字交叉的垂直方向施工,丙乳砂浆铺到位后,用力压实并随即出面,注意向同一个方向抹平,不需第二次收光。(4)养护

丙乳砂浆表面略千后,可喷雾养护或用塑料薄膜覆盖,及时洒水养护7 天即可。(5)若修补区缺陷较深,可在内部填充预缩水泥砂浆或细石混凝土,其施工程序为:凿毛清基、涂水泥素浆(水灰比 0.4)、分层铺抹预缩水泥砂浆或细石混凝土、涂素浆、铺抹丙乳砂浆、养护。


五、注意事项:

1、本产品适宜在 5℃~35℃的环境下使用。

2、施工过程中必须防雨淋、避免暴晒,冬季应做好保温措施。3、待材料完全凝固后,方可继续做其它覆盖层。

4、材料混合搅拌后要尽快施工,随用随拌。已经稠化的材料不可再加水或液料使用。

六、包装储运:

液料桶装,20kg/桶,粉料纸塑复合袋装,25kg/袋。阴凉干燥处存放,冬季应室内常温存放,避免液料冻坏。


2_丙乳聚合物砂浆-12_丙乳聚合物砂浆-22_丙乳聚合物砂浆-32_丙乳聚合物砂浆-4


相关产品